一、Q41F浮动式球阀 概述:
沃茈阀门(上海)有限公司生产销售的Q41F浮动式球阀球阀是一种重要的阀类,在石油化工、长输管线等领域有广泛应用。球阀的关闭件是一个带孔的球体(或部分球),球体随阀杆转动,实现阀门的开启或关闭。
在各种阀门中,球阀的流动阻力较小,全径球阀打开时,球体通道、阀体通道和连接管径相等并成一直径,介质几乎可以毫无损失的流过。
球阀旋转90°即可全关全开,启闭迅速。与相同规格的闸阀、截止阀比较、球阀体积小、重量轻,便于管道安装。
二、Q41F浮动式球阀主要零件材料:
| 序号 no. | 零件名称 | 材质 | |
| gb | astm | ||
| 1 | 阀体 | wcb | a2116-wcb |
| 2 | 密封圈 | ptfe | ptfe |
| 3 | 球体 | 1c18ni9ti | ss304 |
| 4 | 螺母 | 35 | a194-2h |
| 5 | 螺柱 | 35crmoa | a193-b7 |
| 6 | 石体 | wcb | a216-wcb |
| 7 | 垫片 | 柔性石墨+不锈钢 | b12.10-304f/.g |
| 8 | 填料 | ptfe | ptfe |
| 9 | 填料压盖 | wcb | a2116-wcb |
| 10 | 定位片 | 25 | a105 |
| 11 | 挡圈 | 65mn | aisi 1066 |
| 12 | 手柄 | k33 | a47-667 gr.32510 |
| 13 | 阀杆 | 1cr33 | a276-410 |
| 14 | 螺钉 | 35 | a193-b7 |
| 15 | 止推垫片 | ptfe | ptfe |
三、Q41F浮动式球阀技术规范:
| 设计依据 | 国标系列 | 美标系列 | |
| 设计标准 | gb/t12237 | ap16d | ansi b16.34 |
| 法兰连接结构长度 | gb/t12221 | ap16d | ansi b16.10 |
| 结构长度(焊接) | gb/t15188.1 | ap16d | ansi b16.10 |
| 连接法兰 | gb/t9113 jb/t79 hg20592 | ansi b16.5、b16.47 | |
| 对焊端 | gb/t12224 | ansi b16.25 | |
| 试验和检验 | gb/t9092 | ap16d | ap1598 |
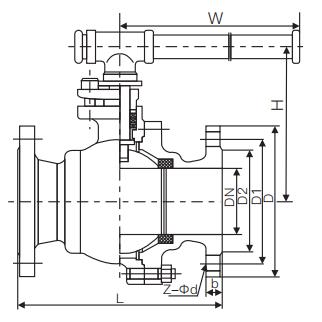
四、Q41F浮动式球阀 主要外形尺寸:



| 公称通径 | 15 | 20 | 25 | 40 | 50 | 65 | 80 | 100 | 125 | 150 | 200 |
| d1 | 13 | 19 | 25 | 38 | 64 | 64 | 76 | 102 | 127 | 152 | 203 |
| l | 108 | 117 | 127 | 165 | 191 | 191 | 203 | 229 | 356 | 394 | 457 |
| h | 59 | 63 | 75 | 95 | 142 | 142 | 152 | 178 | 252 | 272 | 342 |
| w | 130 | 130 | 160 | 230 | 400 | 400 | 400 | 650 | 1050 | 1050 | 1410 |
| wt(kg) | 2.5 | 3 | 5 | 7 | 15 | 19 | 19 | 33 | 58 | 93 | 160 |